БОЛИД ПИ-ГР
- Сняты с производства: Сняты с производства
- Габариты (Д х Ш х В): 157x107x36
- Цвет корпуса: Белый
БОЛИД ПИ-ГР исп. 03: предназначен для преобразования сигналов интерфейса RS-232 в сигналы двухпроводного магистрального интерфейса RS-485:
- Обеспечивает гальваническую развязку цепей компьютера и линии интерфейса RS-485
- Подключение к персональному компьютеру периферийных устройств интегрированной системы охраны "Орион", отдаленных от него на расстояние до 4 км
- Электрическая прочность изоляции: до 1600В в течение 1 минуты или до 2000В в течение 1с
- Тип обмена - полудуплексный
- Скорость обмена - до 115200 бит/с
- Питание прибора от компьютера, через разъем клавиатуры или USB-порт, а также от любого внешнего источника постоянного тока напряжением от 9 до 15В
- Настенное исполнение
- Индикация приема/передачи данных
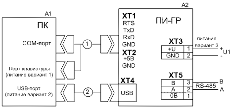
Схема подключения ПИ-ГР
А1 - персональный компьютер
А2 - "ПИ-ГР"
U1 - источник постоянного тока напряжением от 9 до 15В
1 - кабель подключения АЦДР.685611.056-03
2 - кабель стандартный USB-AB
ТЕХНИЧЕСКИЕ ХАРАКТЕРИСТИКИ
- Напряжение питания:
- 5 В (от компьютера)
- от 9 до 15 В (от внешнего источника)
- Потребляемый ток - не более 100 мА
- Скорость передачи данных, Бод - 300, 600, 1200, 2400, 4800, 9600, 19200, 38400, 57600, 115200
- Рабочий диапазон температур - от минус 30 до +50 °С
- Относительная влажность воздуха, % - до 93 при +40 °С
- Габаритные размеры - не более 157 х 107 х 36 мм
- Масса, кг - не более 0,2



